Descripción general
Interruptor de carga de aire comprimido FKRN12A-12D, serie FKRN12A-12D, para aparatos eléctricos combinados de interruptor de carga de aire comprimido y fusible. Es adecuado para sistemas de distribución eléctrica trifásicos de 12 kV o menos, para el control y la protección de transformadores, cables, líneas aéreas y otros equipos eléctricos. Es especialmente adecuado para subestaciones terminales y subestaciones tipo caja en redes eléctricas urbanas y rurales. También es adecuado para el control y la protección de redes en anillo y unidades de suministro de energía de doble radiación.
El interruptor de carga neumático de la serie FKN12A-12D puede conmutar la corriente de carga y la corriente de sobrecarga.
Los aparatos eléctricos combinados de interruptor y fusible de carga de aire comprimido de la serie FKRN12A-12D pueden conmutar la corriente de carga, la corriente de sobrecarga y romper la corriente de cortocircuito del circuito.
Significado del modelo

Entorno de uso normal
♦Límite superior de temperatura ambiente: +40 °C límite inferior: -25 °C
♦La altitud no supera los 1000m;
♦La humedad relativa media diaria no supera el 95% y la media mensual no supera el 90%.
♦La intensidad sísmica no supere los 8 grados;
♦Lugares sin peligro de incendio, explosión, corrosión química y vibraciones severas;
♦Nivel de contaminación: Ⅱ
Característica principal
◆El interruptor de carga, el interruptor de puesta a tierra, el fusible y el mecanismo están en un marco, que se puede combinar de manera flexible, tiene una estructura compacta, un tamaño pequeño y es fácil de instalar;
◆La fractura está dispuesta en un tipo de acción directa, con altos parámetros de corriente dinámica y térmicamente estables, y la operación se puede completar de una sola vez;
◆Tiene una cubierta de aislamiento de contacto estático, de modo que el gabinete de red de anillo está aislado en la estructura, eliminando la necesidad de particiones de aislamiento de interfase y tableros de aislamiento de fractura, lo que puede prevenir accidentes de cortocircuito por arco en el gabinete;
◆Su válvula tiene una estructura única. Tras la apertura del interruptor de carga, aísla automáticamente la fractura y ofrece un buen rendimiento de protección.
◆Hay un dispositivo de bloqueo mecánico confiable entre el interruptor de carga, el interruptor de puesta a tierra y el fusible, que cumple con los requisitos de "cinco pruebas";
◆Hay dos formas de operación manual y operación eléctrica de la fuente de alimentación de operación de doble propósito de CA y CC, lo que es conveniente para realizar el sistema de energía: requisitos de "tres remotos".
Parámetros técnicos
Tabla 1

Tabla 2

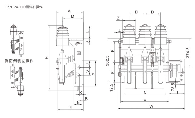
Dimensiones de instalación

> Sofielec expone en la Exposición Asia Power Electrician and Smart Grid, del 21 al 23 de julio de 2021, Pazhou Hall, Guangzhou, Stand No. 9.2, Hall H11.
Estimados todos, exhibiremos en la Exposición Asia Power Electrician and Smart Grid, del 21 al 23 de julio de 2021, Pazhou Hall, Guangzhou, Stand No. 9.2, Hall H11.
> Función y principio de funcionamiento, parámetros técnicos y selección de RCCB/ELCB
(1) Función: Se utiliza principalmente para cortar rápidamente el suministro eléctrico cuando se produce una descarga eléctrica o una fuga, para garantizar la seguri...
> Resumen de conocimientos comunes sobre interruptores diferenciales/disyuntores diferenciales
1. El disyuntor de fugas de la serie CDL7 es adecuado para CA 50 Hz, voltaje nominal de 400 V, corriente nominal de 63 A y el rendimiento de la acción no tiene nada ...
> 16 puntos de conocimiento le permiten comprender completamente el principio de funcionamiento y la función del RCCB/ELCB
1. Qué es un interruptor diferencial/interruptor diferencial eléctrico (RCCB/ELCB)? Respuesta: El RCCB/ELCB (interruptor de protección contra fugas) es un dispositiv...




