Datos técnicos
■Corriente nominal: 6A, 8A, 10A, 13A, 16A, 20A, 25A, 32A, 40A
■Voltaje nominal: 240 V (230 V) ~
■Frecuencia nominal: 50/60 Hz
■Número de polos: 1P+N
■Tamaño del módulo: 18 mm
■Tipo de curva: Curva B&C
■Capacidad de corte: 6000A
■Corriente residual de funcionamiento nominal:
□10 mA, 30 mA, 100 mA, 300 mA Tipo A y CA
■Temperatura óptima de funcionamiento: -25℃ a 40℃
■Par de apriete del terminal: 1,2 Nm
■Capacidad del terminal (superior): 16 mm²
■Capacidad del terminal (inferior): 16 mm²
■Resistencia electromecánica: 4000 ciclos
■Montaje: carril DIN de 35 mm
■Línea y carga reversibles:
□Barra colectora adecuada: Barra colectora PIN
Cumplimiento
■IEC61009-1
■EN61009-1
■AS61009-1
■NZS61009-1
■Compatible con ESV
Dimensiones generales y de instalación

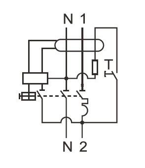
Diagrama de cableado

Las curvas características de disparo

> Sofielec expone en la Exposición Asia Power Electrician and Smart Grid, del 21 al 23 de julio de 2021, Pazhou Hall, Guangzhou, Stand No. 9.2, Hall H11.
Estimados todos, exhibiremos en la Exposición Asia Power Electrician and Smart Grid, del 21 al 23 de julio de 2021, Pazhou Hall, Guangzhou, Stand No. 9.2, Hall H11.
> Función y principio de funcionamiento, parámetros técnicos y selección de RCCB/ELCB
(1) Función: Se utiliza principalmente para cortar rápidamente el suministro eléctrico cuando se produce una descarga eléctrica o una fuga, para garantizar la seguri...
> Resumen de conocimientos comunes sobre interruptores diferenciales/disyuntores diferenciales
1. El disyuntor de fugas de la serie CDL7 es adecuado para CA 50 Hz, voltaje nominal de 400 V, corriente nominal de 63 A y el rendimiento de la acción no tiene nada ...
> 16 puntos de conocimiento le permiten comprender completamente el principio de funcionamiento y la función del RCCB/ELCB
1. Qué es un interruptor diferencial/interruptor diferencial eléctrico (RCCB/ELCB)? Respuesta: El RCCB/ELCB (interruptor de protección contra fugas) es un dispositiv...




