Proporciona protección contra fallas a tierra/corriente de fuga, cortocircuito, sobrecarga y función de aislamiento. Proporciona protección complementaria contra el contacto directo del cuerpo humano. Protege eficazmente los equipos eléctricos contra fallas de aislamiento. Proporciona protección integral a los sistemas de distribución domésticos y comerciales.


Tensión nominal | 230 V/400 V, 240/415 V | ||||
| Corriente nominal |
| ||||
| Corriente residual de funcionamiento nominal | 0,03 A, 0,1 A, 0,3 A | ||||
| Corriente residual no operativa nominal | 0,5I△n | ||||
| Caja del componente de CC | Tipo CA, tipo A (excepto tipo electromagnético 4P) | ||||
| número de polos | 1P+N/3P+N | ||||
| Tipo de viaje instantáneo | Tipo B, Tipo C | ||||
| Capacidad nominal de corte de cortocircuito | 6000A | ||||
| Capacidad nominal residual de cierre y corte | 500A | ||||
| Clase de protección | IP20 | ||||
| Categoría de instalación | Clase III | ||||
| nivel de contaminación | nivel 2 |
Tiempo de interrupción de la acción de corriente residual
| En (A) | Yo △ n(A) | Tiempo de ruptura (s) cuando la corriente residual es igual al siguiente valor | ||||||
| Yo △ n | 2I △ n | 5I △ n | 5A, 10A, 20A, 50A, 100A, 200A | Yo △ t | ||||
| 6~40A | 0,03, 0,1, 0,3 | 0.1 | 0.05 | 0.04 | 0.04 | 0.04 | ||
| Nota: a. Las pruebas de 5 A, 10 A, 20 A, 50 A, 100 A y 200 A no se realizan con valores de corriente superiores al límite inferior del rango de disparo instantáneo de corriente. b. Disparo instantáneo por sobrecorriente cuando I△t es igual a Tipo B y Tipo C. La prueba se realiza con la corriente en el límite inferior del rango. | ||||||||
Características de disparo de protección contra sobrecorriente (temperatura de referencia 30 ℃)
| prueba | Tipo | Corriente de prueba | estado inicial | Límite de tiempo de viaje o no viaje | resultado esperado | Observación | ||
| a | ANTES DE CRISTO | 1,13 pulgadas | estado frío | t ≤1 h | No se tropieza | |||
| b | ANTES DE CRISTO | 1,45 pulgadas | Inmediatamente después de una prueba | t < 1 h | viaje | La corriente aumenta constantemente en 5 segundos. | ||
| do | ANTES DE CRISTO | 2,55 pulgadas | estado frío | 1s | viaje | |||
| 1s > 32A) | ||||||||
| d | B | 3 pulgadas | estado frío | t≤0,1 S | No se tropieza | |||
| 5 pulgadas | t<0,1S | viaje | ||||||
| mi | do | 5 pulgadas | t≤0,1 S | No se tropieza | ||||
| 10 pulgadas | t<0,1S | viaje | ||||||
Vida mecánica y eléctrica
| proyecto | Veces (veces) | Frecuencia de operación (veces/hora) | Corriente nominal (A) | |||||
| Vida eléctrica | 4000 | 240 | 6~32 | |||||
| Vida mecánica | 10000 | 120 | 40 | |||||
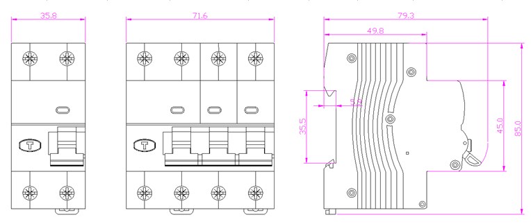
Forma y dimensiones de instalación

> Sofielec expone en la Exposición Asia Power Electrician and Smart Grid, del 21 al 23 de julio de 2021, Pazhou Hall, Guangzhou, Stand No. 9.2, Hall H11.
Estimados todos, exhibiremos en la Exposición Asia Power Electrician and Smart Grid, del 21 al 23 de julio de 2021, Pazhou Hall, Guangzhou, Stand No. 9.2, Hall H11.
> Función y principio de funcionamiento, parámetros técnicos y selección de RCCB/ELCB
(1) Función: Se utiliza principalmente para cortar rápidamente el suministro eléctrico cuando se produce una descarga eléctrica o una fuga, para garantizar la seguri...
> Resumen de conocimientos comunes sobre interruptores diferenciales/disyuntores diferenciales
1. El disyuntor de fugas de la serie CDL7 es adecuado para CA 50 Hz, voltaje nominal de 400 V, corriente nominal de 63 A y el rendimiento de la acción no tiene nada ...
> 16 puntos de conocimiento le permiten comprender completamente el principio de funcionamiento y la función del RCCB/ELCB
1. Qué es un interruptor diferencial/interruptor diferencial eléctrico (RCCB/ELCB)? Respuesta: El RCCB/ELCB (interruptor de protección contra fugas) es un dispositiv...







