Descripción general
El interruptor automático de vacío de alta tensión para columna exterior ZW20-12 es una celda de alta tensión para exteriores con una tensión nominal de 12 kV y una corriente alterna trifásica de 50 Hz. Se utiliza principalmente para interrumpir y cerrar la corriente de carga, la corriente de sobrecarga y la corriente de cortocircuito del sistema eléctrico. Es adecuado para la protección y el control de subestaciones, empresas industriales y mineras, y redes de distribución urbanas y rurales, especialmente en lugares con operaciones frecuentes y redes de distribución automáticas de redes urbanas. Este producto se complementa con un controlador que cumple con los requisitos del sistema de automatización de distribución y realiza la función de reconectador tradicional de forma fiable y eficaz. Adopta una estructura de sellado tipo caja, rellena de gas SF6, con un buen rendimiento de sellado, lo que lo protege del entorno externo y no requiere mantenimiento. Su mecanismo de accionamiento por resorte, con accionamiento principal por cadena de acción directa y un sistema de disparo multietapa, ofrece una alta fiabilidad y lo convierte en el producto ideal para interruptores automáticos de columna.
Significado del modelo

Entorno de uso normal
1. La altitud no supere los 3000m;
2. El límite superior de la temperatura del aire ambiente no supera los 40 °C, el límite inferior no supera los -40 °C y la diferencia de temperatura diaria es de 25 °C;
3. La presión del viento no supera los 700 Pa;
4. Nivel de contaminación: IV;
5. Espesor del hielo 100 mm;
6. Lugar de instalación: no apto para zonas inflamables, con peligro de explosión o corrosión química;
7. El grado de secuencia sísmica no deberá exceder de 8 grados.
Parámetros técnicos

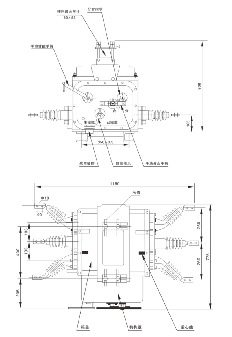
Dimensiones de instalación

> Sofielec expone en la Exposición Asia Power Electrician and Smart Grid, del 21 al 23 de julio de 2021, Pazhou Hall, Guangzhou, Stand No. 9.2, Hall H11.
Estimados todos, exhibiremos en la Exposición Asia Power Electrician and Smart Grid, del 21 al 23 de julio de 2021, Pazhou Hall, Guangzhou, Stand No. 9.2, Hall H11.
> Función y principio de funcionamiento, parámetros técnicos y selección de RCCB/ELCB
(1) Función: Se utiliza principalmente para cortar rápidamente el suministro eléctrico cuando se produce una descarga eléctrica o una fuga, para garantizar la seguri...
> Resumen de conocimientos comunes sobre interruptores diferenciales/disyuntores diferenciales
1. El disyuntor de fugas de la serie CDL7 es adecuado para CA 50 Hz, voltaje nominal de 400 V, corriente nominal de 63 A y el rendimiento de la acción no tiene nada ...
> 16 puntos de conocimiento le permiten comprender completamente el principio de funcionamiento y la función del RCCB/ELCB
1. Qué es un interruptor diferencial/interruptor diferencial eléctrico (RCCB/ELCB)? Respuesta: El RCCB/ELCB (interruptor de protección contra fugas) es un dispositiv...





