Construcción y características del interruptor diferencial con protección contra sobrecorriente
Proporciona protección contra falla a tierra/corriente de fuga, cortocircuito, sobrecarga y función de aislamiento.
Indicación de la posición del contacto
Proporciona protección contra el contacto indirecto con el cuerpo humano.
Proporciona protección complementaria contra el contacto directo con el cuerpo humano.
Protege eficazmente los equipos eléctricos contra fallos de aislamiento.
Equipado con polo neutro y fase conmutados.
Proporciona protección contra sobretensión.
Proporciona protección integral a los sistemas de distribución domésticos y comerciales.
Datos técnicos del interruptor diferencial con protección contra sobrecorriente CJL6-32
Tipo: Tipo electrónico
Características de corriente residual: CA
Número de polos: 1P+N
Curva de disparo: B, C, D
Capacidad nominal de cortocircuito: 4,5 kA
Corriente nominal (A): 6, 10, 16, 20, 25, 32
Tensión nominal: 240 V CA
Frecuencia nominal: 50/60 Hz
Corriente residual de funcionamiento nominal (mA): 0,03, 0,1, 0,3
Duración del disparo: instantáneo ≤ 0,1 s
Resistencia electromecánica: 4000 ciclos
Terminal de conexión: terminal de pilar con abrazadera
Altura de conexión del terminal: H1=16 mm H2=21 mm
Disparo por sobretensión: 280 V ± 5 %
Datos técnicos del disyuntor de sobrecorriente
■Disparador de derivación S2
■U2+O2 Disparador por sobretensión y subtensión
■Capacidad de conexión:
□Conductor flexible de 10 mm2
□Conductor rígido de 16 mm
■Instalación:
□En carril DIN simétrico de 35,5 mm
□Montaje en panel
Dimensiones generales y de instalación

Curva característica del dispositivo de protección de corriente residual

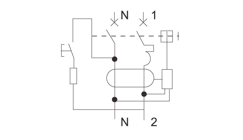
Diagrama de cableado del dispositivo de protección contra sobrecorriente

Características de protección contra sobrecargas de corriente
| Procedimiento de prueba | Tipo | Corriente de prueba | Estado inicial | Límite de tiempo de disparo o no disparo | Resultado esperado | Observación |
| a | B, C, D | 1,13 pulgadas | frío | t≤1h | sin tropiezos | |
| b | B, C, D | 1,45 pulgadas | Después de la prueba a | t<1h | tropezando | Corriente en los 5s en el aumento de estabilidad |
| do | B, C, D | 2,55 pulgadas | frío | 1 s < t < 60 s (In ≤ 32 A) 1 s < t < 120 s (32 < In ≤ 63 A) | tropezando | |
| d | B | 3 pulgadas | frío | t≤0,1 s | sin tropiezos | Encienda el interruptor auxiliar para cerrar la corriente. |
| do | 5 pulgadas | |||||
| D | 10 pulgadas | |||||
| mi | B | 5 pulgadas | frío | t<0,1 s | tropezando | Encienda el interruptor auxiliar para cerrar la corriente. |
| do | 10 pulgadas | |||||
| D | 20 pulgadas | |||||
| La terminología “estado frío” se refiere a que no se transporta ninguna carga antes de realizar la prueba a la temperatura de ajuste de referencia. | ||||||
Tiempo de interrupción de la acción de corriente residual
| tipo | En/A | Yo/A | La corriente residual (I△) corresponde al siguiente tiempo de ruptura (S) | |||||
| Yo△n | 2 I△n | 5 I△n | 5A, 10A, 20A, 50A, 100A, 200A, 500A | Yo△t | ||||
| tipo general | cualquier valor | cualquier valor | 0.3 | 0,15 | 0.04 | 0.04 | 0.04 | Tiempo máximo de descanso |
| El RCBO de tipo general cuya corriente IΔn es 0,03 mA o menos puede utilizar 0,25 A en lugar de 5 IΔn. | ||||||||
Un tipo de rango de corriente de disparo
| Lagangle(A) | Una corriente de disparo (A) | |
| Límite inferior | Límite superior | |
| 0° 90° 135° | 0,35 I△n 0,25 I△n 0,11 I△n | 0,14 I△n |
> Sofielec expone en la Exposición Asia Power Electrician and Smart Grid, del 21 al 23 de julio de 2021, Pazhou Hall, Guangzhou, Stand No. 9.2, Hall H11.
Estimados todos, exhibiremos en la Exposición Asia Power Electrician and Smart Grid, del 21 al 23 de julio de 2021, Pazhou Hall, Guangzhou, Stand No. 9.2, Hall H11.
> Función y principio de funcionamiento, parámetros técnicos y selección de RCCB/ELCB
(1) Función: Se utiliza principalmente para cortar rápidamente el suministro eléctrico cuando se produce una descarga eléctrica o una fuga, para garantizar la seguri...
> Resumen de conocimientos comunes sobre interruptores diferenciales/disyuntores diferenciales
1. El disyuntor de fugas de la serie CDL7 es adecuado para CA 50 Hz, voltaje nominal de 400 V, corriente nominal de 63 A y el rendimiento de la acción no tiene nada ...
> 16 puntos de conocimiento le permiten comprender completamente el principio de funcionamiento y la función del RCCB/ELCB
1. Qué es un interruptor diferencial/interruptor diferencial eléctrico (RCCB/ELCB)? Respuesta: El RCCB/ELCB (interruptor de protección contra fugas) es un dispositiv...





