| Categorías | Relé protector del motor |
| Tensión nominal de alimentación de control | CA/CC 100 V ~ 240 V CA 380 V CA 220 V CA 50 Hz/60 Hz |
| Capacidad de contacto | Ith: 5A;AC-15;Ue/Ie 380V/0.95A 240V/1.5A |
| Modo de configuración | Configuración de botones |
| Clase de IP | IP20 |
| Categoría de uso | AC-15 |
| Hora de inicio | 2s~120s ajustable |
| Clase de viaje | clase de viaje (5,10,10A.20.30) |
| Protección | Sobrecarga, desequilibrio de corriente, pérdida de fase, temperatura |
| Tasa de desequilibrio actual | 40%~90% ajustable |
| Instalación | Panel de aislamiento Manfame, panel de tansómero, aislamiento mediante riel de tornillo |
Función
Aplicaciones
Se utiliza en unidades de aire acondicionado, salas de máquinas de ascensores, bombas, ventiladores y otras aplicaciones de control de motores, como protección contra sobretensión, subtensión, fallo de fase, secuencia de fase y desequilibrio de fase. En caso de anomalía en el suministro eléctrico, se debe desconectar para proteger el equipo.
Características
Microcontrolador integrado, instalado en armario o cajón de 1/4. Precisión de medición de corriente ≤ 2%, ajuste de botones, pantalla LCD retroiluminada para corriente y estado de fallo. 5 características de sobrecarga ajustables opcionales. Con 1 juego de contactos de conmutación y 1 juego de contactos auxiliares NA. Habilita arranques estrella-triángulo y reductor automático. Salida analógica opcional de 4 mA a 20 mA e interfaz de comunicación RS485, compatible con protocolo Modbus y comunicación de red disponible.
| Tensión nominal de alimentación de control | CA/CC 100 V ~ 240 V, CA 220 V, CA 380 V 50 Hz/60 Hz |
| Rango de corriente de arranque | 1A~5A, 2A~10A. 6A~30A, 10A~50A. 40A ~ 200A |
| Protección | Sobrecarga, subcarga, desequilibrio de corriente, fase abierta, rotor bloqueado, conexión a tierra, temperatura |
| Modo de configuración | Configuración de botones |
| Hora de inicio | 2s~120s ajustable |
| Clase de viaje | Clase de disparo (5, 10, 10A, 20, 30) |
| Tasa de desequilibrio actual | 40%~90% ajustable |
| Corriente de falla a tierra | 50 mA ~ 500 mA ajustable |
| Protección contra pérdida de sustentación | Relación de corriente de pérdida ajustable de 1,2 a 6,0, tiempo de protección de pérdida ajustable de 1 s a 30 s |
| Contactos auxiliares | Activación o acción de 1s~ (tiempo de inicio -1s), lograr inicio estrella-triángulo y reductor automático |
| Subcarga | 20%~90% de corriente de ajuste ajustable |
| Capacidad de contacto | Ith: 5A; AC-15: UE/le 380V/0.95A 240V/1.5A |
| Categoría de uso | AC-15 |
| Clase de IP | IP20 |
| Instalación | Instalación de panel principal, instalación de panel de transformador mediante tornillo o riel |
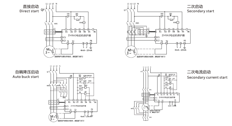
Diagrama de cableado

Dimensiones

> Sofielec expone en la Exposición Asia Power Electrician and Smart Grid, del 21 al 23 de julio de 2021, Pazhou Hall, Guangzhou, Stand No. 9.2, Hall H11.
Estimados todos, exhibiremos en la Exposición Asia Power Electrician and Smart Grid, del 21 al 23 de julio de 2021, Pazhou Hall, Guangzhou, Stand No. 9.2, Hall H11.
> Función y principio de funcionamiento, parámetros técnicos y selección de RCCB/ELCB
(1) Función: Se utiliza principalmente para cortar rápidamente el suministro eléctrico cuando se produce una descarga eléctrica o una fuga, para garantizar la seguri...
> Resumen de conocimientos comunes sobre interruptores diferenciales/disyuntores diferenciales
1. El disyuntor de fugas de la serie CDL7 es adecuado para CA 50 Hz, voltaje nominal de 400 V, corriente nominal de 63 A y el rendimiento de la acción no tiene nada ...
> 16 puntos de conocimiento le permiten comprender completamente el principio de funcionamiento y la función del RCCB/ELCB
1. Qué es un interruptor diferencial/interruptor diferencial eléctrico (RCCB/ELCB)? Respuesta: El RCCB/ELCB (interruptor de protección contra fugas) es un dispositiv...




