El SJRO1-50 cuenta con protección contra sobrecargas, cortocircuitos y fugas, funciones más completas. Se utiliza principalmente en fábricas industriales, edificios comerciales y productos electrónicos y eléctricos.
Especificación
| Corriente nominal | 6, 10, 16, 20, 25, 32, 40, 50A |
| Tensión nominal | 240 V (230 V) |
| Frecuencia nominal | 50/60 Hz |
| Número de polos | 1p+n |
| Tamaño del módulo | 18 mm |
| Tipo de curva | Curva B y C |
| Capacidad de ruptura | 6000A |
| Resistencia electromecánica | 4000 ciclos |
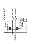
Diagrama de cableado



> Sofielec expone en la Exposición Asia Power Electrician and Smart Grid, del 21 al 23 de julio de 2021, Pazhou Hall, Guangzhou, Stand No. 9.2, Hall H11.
Estimados todos, exhibiremos en la Exposición Asia Power Electrician and Smart Grid, del 21 al 23 de julio de 2021, Pazhou Hall, Guangzhou, Stand No. 9.2, Hall H11.
> Función y principio de funcionamiento, parámetros técnicos y selección de RCCB/ELCB
(1) Función: Se utiliza principalmente para cortar rápidamente el suministro eléctrico cuando se produce una descarga eléctrica o una fuga, para garantizar la seguri...
> Resumen de conocimientos comunes sobre interruptores diferenciales/disyuntores diferenciales
1. El disyuntor de fugas de la serie CDL7 es adecuado para CA 50 Hz, voltaje nominal de 400 V, corriente nominal de 63 A y el rendimiento de la acción no tiene nada ...
> 16 puntos de conocimiento le permiten comprender completamente el principio de funcionamiento y la función del RCCB/ELCB
1. Qué es un interruptor diferencial/interruptor diferencial eléctrico (RCCB/ELCB)? Respuesta: El RCCB/ELCB (interruptor de protección contra fugas) es un dispositiv...






