Mecanismo y características
• El elemento de detección y el elemento de disparo del producto se encuentran entre el terminal de entrada y el terminal de salida.
• Las características de funcionamiento del producto no pueden modificarse mediante dispositivos mecánicos externos.
• El mecanismo de operación tiene una función de disparo libre.
Las piezas operativas no pueden retirarse del exterior de la carcasa, y esta no debe afectar el funcionamiento normal del mecanismo operativo. El conjunto de componentes debe ajustar la presión de contacto para garantizar que esta no se modifique durante el funcionamiento.
Diseño de doble punto de interrupción de contactos de polo L y polo N, ranura de disipación de calor externa, con palabras RCBO y logotipo del diagrama del circuito, ventana indicadora con lámina de vidrio a prueba de polvo, el diseño de varilla superior doble del disparador hace que el mecanismo de disparo del producto sea más confiable, la conexión de la manija del producto 3P + N se puede conectar directamente con piezas de ensamblaje o conectarse con la funda de la manija, con módulo de cableado, corriente nominal máxima 1P + N 63A, diseño de rendimiento de protección contra fugas tipo B electrónico 1P + N ...
Parámetros técnicos
| Nombre del producto | Disyuntor de fugas |
| Modelo de producto | HLWRO4-40 |
| Tipo | Tipo A y AC, tipo F, tipo G, tipo S, tipo B...... |
| Número de polos | 3P+N |
| Corriente nominal | 2, 4, 6, 10, 16, 20, 25, 32, 40A |
| Corriente residual de trabajo nominal l△n(A) | 0,01, 0,03, 0,1, 0,3, 0,5 |
| Tensión nominal | CA 415 V |
| Rango de corriente de trabajo residual | 0,5l△n~l△n |
| Tiempo de trabajo | ≤0,3 s |
| Capacidad nominal de corte de cortocircuito | 6000A |
| Vida mecánica | No menos de 4000 veces |
| Nivel de protección | IP20 |
Dimensiones generales y de instalación

Curva característica

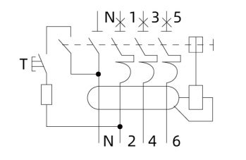
Diagrama de cableado

Características de trabajo
| Procedimiento de prueba | Tipo | Corriente de prueba | Estado inicial | Límite de tiempo de disparo o no disparo | Resultado esperado | Notas |
| a | B, C, D | 1.131n | Frío | t≤1h | Sin tropiezos | |
| b | B, C, D | 1.451n | Probado | t≤lh | Tropezando | Mejora de la estabilidad de la corriente en 5 segundos |
| do | B, C, D | 2,55 ln | Frío | 1s | Tropezando | |
| d | B | 3ln | Frío | t≤0,1 s | Sin tropiezos | Encienda el interruptor auxiliar para apagar la corriente. |
| do | 5ln | |||||
| D | 10ln | |||||
| mi | B | 5ln | Frío | t≤0,1 s | Tropezando | Encienda el interruptor auxiliar para apagar la corriente. |
| do | 10ln | |||||
| D | 20ln |
El término "frío" significa sin ninguna carga antes de realizar la prueba a la temperatura de referencia establecida.
Tiempo de disparo de corriente residual
| Tipo | En/A | l△n/A | La corriente residual (I△) corresponde al siguiente tiempo de desconexión (S) | |||||
| En/A | ln/A | Yo△n | 2ln | 5l△n | 5A, 10A, 20A, 50A, 100A, 200A, 500A | Yo△t | ||
| Tipo general | Cualquier valor | Cualquier valor | 0.3 | 0,15 | 0.04 | 0.04 | 0.04 | Tiempo máximo de segmento |
> Sofielec expone en la Exposición Asia Power Electrician and Smart Grid, del 21 al 23 de julio de 2021, Pazhou Hall, Guangzhou, Stand No. 9.2, Hall H11.
Estimados todos, exhibiremos en la Exposición Asia Power Electrician and Smart Grid, del 21 al 23 de julio de 2021, Pazhou Hall, Guangzhou, Stand No. 9.2, Hall H11.
> Función y principio de funcionamiento, parámetros técnicos y selección de RCCB/ELCB
(1) Función: Se utiliza principalmente para cortar rápidamente el suministro eléctrico cuando se produce una descarga eléctrica o una fuga, para garantizar la seguri...
> Resumen de conocimientos comunes sobre interruptores diferenciales/disyuntores diferenciales
1. El disyuntor de fugas de la serie CDL7 es adecuado para CA 50 Hz, voltaje nominal de 400 V, corriente nominal de 63 A y el rendimiento de la acción no tiene nada ...
> 16 puntos de conocimiento le permiten comprender completamente el principio de funcionamiento y la función del RCCB/ELCB
1. Qué es un interruptor diferencial/interruptor diferencial eléctrico (RCCB/ELCB)? Respuesta: El RCCB/ELCB (interruptor de protección contra fugas) es un dispositiv...






