El protector contra sobretensiones de 200 KA está diseñado para proteger los equipos de alimentación primaria contra sobretensiones y picos de tensión causados por rayos y otras perturbaciones eléctricas. Se instala comúnmente en armarios de distribución principal de baja tensión, especialmente en armarios de distribución eléctrica exteriores susceptibles a la caída de rayos.
El protector contra sobretensiones trifásico de 200 KA/230 voltios también es adecuado para equipos de distribución eléctrica en interiores y se puede utilizar en diversas industrias, como la construcción civil, la electricidad, las comunicaciones, el tráfico rodado y la petroquímica. Su instalación ayuda a proteger los equipos eléctricos de posibles daños y garantiza el correcto funcionamiento de los sistemas eléctricos.
Características del protector contra sobretensiones trifásico de 200 KA/230 voltios XZ2-SPD80/100/150/200
1. La corriente que pasa a través de la protección es grande, el voltaje residual es relativamente bajo, el tiempo de respuesta es rápido y el circuito puede protegerse a tiempo;
2. El protector contra sobretensiones trifásico adopta principalmente la última tecnología de extinción de arco, que puede evitar por completo el incendio cuando ocurre un cortocircuito o un circuito abierto;
3. Incorpora un circuito de protección de control de temperatura. Cuando la temperatura es demasiado alta, corta automáticamente la alimentación del circuito. Además, cuenta con una protección térmica interna para evitar quemaduras.
4. Con el indicador de estado de energía, podemos juzgar el estado de funcionamiento del protector contra sobretensiones de 230 voltios según la luz indicadora;
5. Estructura rigurosa, alto rendimiento de seguridad, funcionamiento estable y confiable.
Protector contra sobretensiones trifásico de 200 KA/230 voltios. Parámetros técnicos principales.
| Presupuesto | XZ2-SPD80 | XZ2-SPD100 | XZ2-SPD150 | XZ2-SPD200 | ||||
| El número de | 1P, 1P+N, 2P, 3P, 3P+N, 4P | |||||||
| En (8/20 μs) Corriente de descarga nominal | 40 kA | 60 kA | 80 kA | 100 kA | ||||
| 1 pico (10/350 μs) La corriente pico | 80 kA | 100 kA | 150 kA | 200 kA | ||||
| Uc(VAC) Voltaje máximo de funcionamiento continuo | 385 | 420 | 385 | 420 | 385 | 420 | 385 | 420 |
| Uc(kV) Nivel de protección de voltaje | 2.1 | 2.5 | 2.3 | 2.8 | 2.7 | 3 | 3.2 | 3.5 |
| (ns)Tiempo de respuesta | <25 | |||||||
| Grado de protección | IP20 | |||||||
| El indicador de fallo | El verde es normal, el rojo es ineficaz. | |||||||
| Clasificación de pruebas | Clase ii | |||||||
| Temperatura límite ambiental TU | -40℃~80℃ | |||||||
| Dispositivo de protección frontal contra sobrecorriente | XZSCB-80 | XZSCB-100 | XZSCB-150 | XZSCB-200 | ||||
| Tipo de instalación | Para la instalación se utiliza un riel guía estándar de 35 mm. | |||||||
| ( mm² ) Área de la sección transversal de la línea eléctrica inducida | Cable flexible multinúcleo de 25-35 mm² | |||||||
| Nota | Se puede agregar una función de señal remota y se puede personalizar otro voltaje de trabajo continuo máximo uC. | |||||||
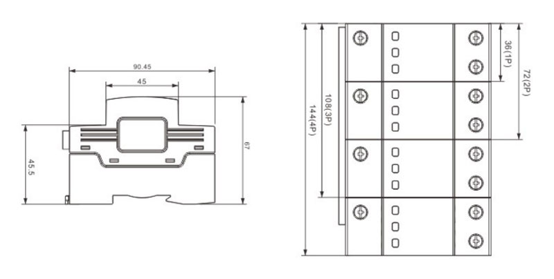
Protector contra sobretensiones trifásico de 200 KA/230 voltios Dimensiones generales

Los protectores contra sobretensiones de las series XZ2-SPD80, 100, 150 y 200 son adecuados para sistemas de distribución de CA de baja tensión de 50/60 Hz, 230/400 Hz e inferiores. IT, TT, TN-C, TN-S, TN-CS y otros sistemas de alimentación pueden conectarse en paralelo a la línea eléctrica para garantizar la igualdad de potencial en caso de impacto de rayos. Se utilizan principalmente para proteger instalaciones eléctricas de baja tensión de clientes contra sobretensiones causadas por descargas atmosféricas (p. ej., rayos indirectos) u otras sobretensiones instantáneas operativas. Funcionan como un único dispositivo limitador de tensión. Productos conformes a las normas GB18802.1, GB50057 y IEC/EN61643-11.
El dispositivo de protección se instalará al final de la línea ascendente (conectado directamente a la línea descendente del cable de entrada) necesaria para proteger el equipo del cliente, conectando el cable exterior (L) o el cable neutro (N) al dispositivo de puesta a tierra del equipo. Se instala en la unión de las zonas LPZOA y LPZ1, con un riel guía estándar de 35 mm y una conexión multifilar de cobre de 16-35 mm² .
El SPD cuenta con un seccionador integrado. Cuando falla por sobrecalentamiento o avería, el seccionador lo desconecta automáticamente de la red eléctrica y emite una señal. La ventana visual se muestra en verde cuando el SPD funciona con normalidad y en rojo cuando se desconecta.
Cada polo frontal del protector contra sobretensiones SPD debe estar conectado en serie con un protector contra sobretensiones o fusible de la serie XZSCB.
Esto garantiza que, en caso de sobretensión, el protector de respaldo o fusible proporcione protección adicional y evite daños al equipo del cliente. Además, el protector contra sobretensiones SPD debe someterse a pruebas y mantenimiento periódicos para garantizar su eficacia en la protección contra sobretensiones.
> Sofielec expone en la Exposición Asia Power Electrician and Smart Grid, del 21 al 23 de julio de 2021, Pazhou Hall, Guangzhou, Stand No. 9.2, Hall H11.
Estimados todos, exhibiremos en la Exposición Asia Power Electrician and Smart Grid, del 21 al 23 de julio de 2021, Pazhou Hall, Guangzhou, Stand No. 9.2, Hall H11.
> Función y principio de funcionamiento, parámetros técnicos y selección de RCCB/ELCB
(1) Función: Se utiliza principalmente para cortar rápidamente el suministro eléctrico cuando se produce una descarga eléctrica o una fuga, para garantizar la seguri...
> Resumen de conocimientos comunes sobre interruptores diferenciales/disyuntores diferenciales
1. El disyuntor de fugas de la serie CDL7 es adecuado para CA 50 Hz, voltaje nominal de 400 V, corriente nominal de 63 A y el rendimiento de la acción no tiene nada ...
> 16 puntos de conocimiento le permiten comprender completamente el principio de funcionamiento y la función del RCCB/ELCB
1. Qué es un interruptor diferencial/interruptor diferencial eléctrico (RCCB/ELCB)? Respuesta: El RCCB/ELCB (interruptor de protección contra fugas) es un dispositiv...




