El principio de funcionamiento del protector contra sobretensiones EL1-25 25KA/150KA 275V/385V es el siguiente: El protector se instala generalmente en ambos extremos del equipo protegido y se conecta a tierra. En condiciones normales de funcionamiento, presenta una alta impedancia a la tensión de frecuencia industrial normal y prácticamente no circula corriente, lo que equivale a un circuito abierto. Cuando se produce una sobretensión transitoria en el sistema, el protector presenta una alta resistencia a la sobretensión transitoria de alta frecuencia. La tensión presenta una baja impedancia, lo que equivale a un cortocircuito en el equipo protegido.
Al instalar el dispositivo de protección contra sobretensiones EL1-25 25KA/150KA 275V/385V, puede absorber y disipar rápidamente la sobretensión, dirigiéndola a tierra, protegiendo así el equipo contra daños, extendiendo su vida útil y mejorando la confiabilidad del equipo.
| Categorías | Dispositivo de protección contra sobretensiones SPD |
| Modelo | EL1-25 |
| Parámetros | EL1-25 |
| Tensión máxima de funcionamiento continuo Uc(V~) | 385 V 275 V |
| Nivel de protección de voltaje UP(KA) | ≤2,0≤1,8 |
| Corriente de descarga máxima (8/20us)(KÄ) | 150 |
| Corriente de descarga nominal (8/20us) (KA) | 25 |
| Tiempo de respuesta (ns) | <100 |
| Grado de protección IP | IP20. |
| Equipado con fusible frontal o disyuntor | 125A |
| Área de la sección transversal del conductor de conexión | 25~50 mm² |
| Solicitud | Protección de primer nivel de línea entrante |
EL1-25 25KA/150KA 275V/385V Dispositivo de protección contra sobretensiones PARÁMETROS TÉCNICOS PRINCIPALES
| Parámetros | Modelo | ||||||
| EL1-15 | El1-25 | El1-50 | |||||
| Tensión máxima de funcionamiento continuo Uc(V~) | 385 V | 275 V | 385 V | 275 V | 385 V | 275 V | |
| Nivel de protección de voltaje ARRIBA | ≤1,5 | ≤1,2 | ≤2.0 | ≤1,8 | ≤2,5 | ≤2.0 | |
| Corriente de sobretensión (10/350)Fleece | Yo hablo | 15KA | 25KA | 50 KA | |||
| Etimología de la electricidad | 7.5AS | 12.5AS | 25AS | ||||
| Energía | 56,25 KJIQ | 156,25 KJIQ | 625KJIQ | ||||
| Corriente máxima de descarga (8/20us)(KA) | 120 KA | 150 KA | 20 KA | ||||
| Caudal nominal Caudal nominal | 15KA | 25KA | 50 KA | ||||
| Tiempo de respuesta (ns) | <100 | ||||||
| Grado de protección IP | IP20 | ||||||
| Ambiente de trabajo (℃) | -40℃~+85℃ | ||||||
| Equipado con fusible frontal o disyuntor. | 125A 125A | ||||||
| Área de la sección transversal del conductor de conexión | 25~50 mm² | ||||||
| Solicitud | Protección de primer nivel de línea entrante | ||||||
| Función de comunicación remota | puede reordenar | ||||||
| Observación | Se puede personalizar otro voltaje máximo de trabajo continuo Uc | ||||||
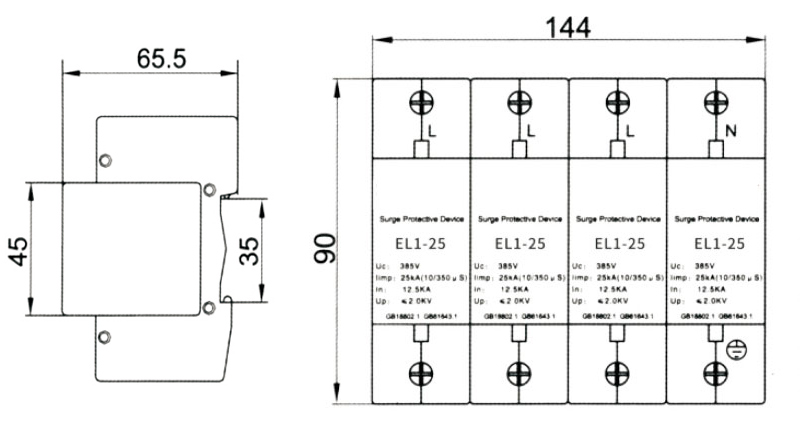
Dispositivo de protección contra sobretensiones EL1-25 25KA/150KA 275V/385V FORMA TAMAÑO

Dispositivo de protección contra sobretensiones EL1-25 25KA/150KA 275V/385V
DESCRIPCIÓN DE LOS PRODUCTOS
gabinete (caja), con alta capacidad de descarga de rayos, sin corriente continua, la corriente de impulso máxima (10/350 ps) de un solo módulo puede alcanzar limp=12.5KA, limp=15KA, limp=25KA, limp=35KA, limp=50KA, y la corriente de descarga máxima (8/20us) puede alcanzar Imax=100KA, Imax=120KA, Imax=150KA, Imax=160KA, Imax=200KA.
> Sofielec expone en la Exposición Asia Power Electrician and Smart Grid, del 21 al 23 de julio de 2021, Pazhou Hall, Guangzhou, Stand No. 9.2, Hall H11.
Estimados todos, exhibiremos en la Exposición Asia Power Electrician and Smart Grid, del 21 al 23 de julio de 2021, Pazhou Hall, Guangzhou, Stand No. 9.2, Hall H11.
> Función y principio de funcionamiento, parámetros técnicos y selección de RCCB/ELCB
(1) Función: Se utiliza principalmente para cortar rápidamente el suministro eléctrico cuando se produce una descarga eléctrica o una fuga, para garantizar la seguri...
> Resumen de conocimientos comunes sobre interruptores diferenciales/disyuntores diferenciales
1. El disyuntor de fugas de la serie CDL7 es adecuado para CA 50 Hz, voltaje nominal de 400 V, corriente nominal de 63 A y el rendimiento de la acción no tiene nada ...
> 16 puntos de conocimiento le permiten comprender completamente el principio de funcionamiento y la función del RCCB/ELCB
1. Qué es un interruptor diferencial/interruptor diferencial eléctrico (RCCB/ELCB)? Respuesta: El RCCB/ELCB (interruptor de protección contra fugas) es un dispositiv...




