Los dispositivos de protección contra sobretensiones de clase C están diseñados para proteger contra sobretensiones de alta energía, generalmente causadas por rayos indirectos o grandes sobretensiones causadas por perturbaciones de la red eléctrica. Estos dispositivos se utilizan comúnmente para proteger equipos y sistemas electrónicos sensibles, como maquinaria industrial, centros de datos y equipos de telecomunicaciones.
Los dispositivos de protección contra sobretensiones de clase C se instalan en el panel eléctrico principal o cuadro de distribución para proteger todo el sistema eléctrico. Están diseñados para soportar altas corrientes de sobretensión y suelen utilizarse junto con los dispositivos de protección contra sobretensiones de clase B y clase A para brindar protección integral contra todos los niveles de sobretensión.
Estos dispositivos suelen emplear una combinación de varistores de óxido metálico (MOV), tubos de descarga de gas y otros componentes de supresión de sobretensiones para desviar y disipar la energía de las sobretensiones del equipo protegido. También están diseñados para proporcionar una indicación visual de su estado y pueden incluir funciones de monitorización remota y alarmas.
En general, los dispositivos de protección contra sobretensiones de clase C desempeñan un papel fundamental a la hora de proteger los sistemas eléctricos y electrónicos de los efectos dañinos de las sobretensiones de alta energía, garantizando el funcionamiento confiable y la longevidad de los equipos sensibles.
Dispositivo de protección contra sobretensiones clase C EL1-B-100 (SPD clase C) Vídeo
Dispositivo de protección contra sobretensiones clase C EL1-B-100 Fecha
| Categorías | Dispositivo de protección contra sobretensiones SPD |
| Modelo | EL1-B-100 |
| Parámetros | EL1-B-100 |
| Tensión máxima de funcionamiento continuo Uc(V~) | 420 V 385 V 275 V |
| Nivel de protección de voltaje UP(KA) | ≤3,0 ≤2,5 ≤2,0 |
| Corriente de descarga máxima (8/20us)(KÄ) | 100 |
| Corriente de descarga nominal (8/20us) (KA) | 60 |
| Tiempo de respuesta (ns) | <25 |
| Grado de protección IP | IP20. |
| Equipado con fusible frontal o disyuntor | 50 A 63 A |
| Solicitud | Protección de primer nivel de línea entrante |
| Observación | Se puede personalizar otro voltaje máximo de trabajo continuo Uc |
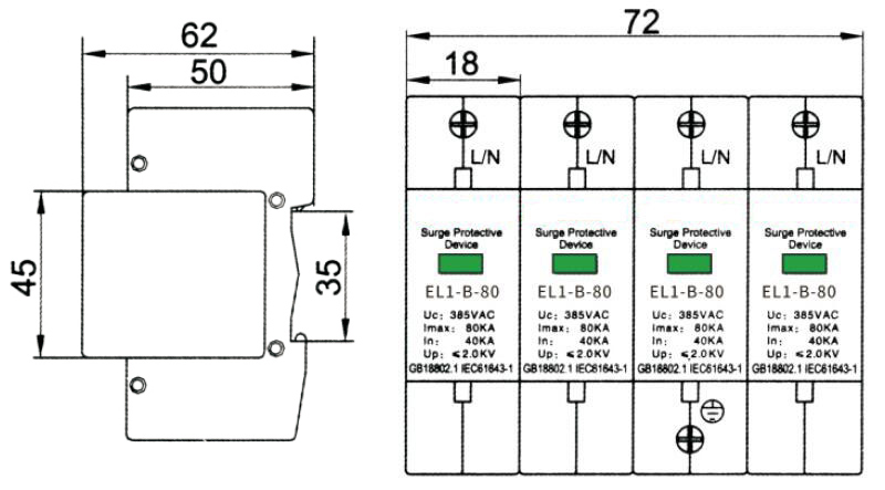
EL1-B-100 Dispositivo de protección contra sobretensiones de clase C (SPD de clase C) FORMA TAMAÑO

Dispositivo de protección contra sobretensiones clase C EL1-B-100 DESCRIPCIÓN DE LOS PRODUCTOS
EL1-B-100 Dispositivo de protección contra sobretensiones Clase C PARÁMETROS TÉCNICOS PRINCIPALES
| Parámetros | Modelo | ||||||||
| EL1-B-60 | EL1-B-80 | El1-B-100 | |||||||
| Tensión máxima de funcionamiento continuo Uc(V~) | 420 V | 385 V | 275 V | 420 V | 385 V | 275 V | 420 V | 385 V | 275 V |
| Nivel de protección de voltajeUP(KA) | ≤2,4 | ≤2.0 | ≤1,8 | ≤2,4 | ≤2.0 | ≤1,8 | ≤3.0 | ≤2,5 | ≤2.0 |
| Corriente máxima de descarga (8/20us) (KA) | 60 | 80 | 100 | ||||||
| Corriente de descarga nominal (8/20us) (KA) | 30 | 40 | 60 | ||||||
| Tiempo de respuesta (ns) | <25 | ||||||||
| Grado de protección IP | IP20 | ||||||||
| Área seccional de los cables de entrada (mm²) | 16~35 | ||||||||
| Área transversal del cable de tierra (mm²) | 25~50 | ||||||||
| Selección del tipo de fusible o disyuntor (A) | 50A, 63A | ||||||||
| Ambiente de trabajo (℃) | -40℃~+85℃ | ||||||||
| Indicación remota de defectos | Fallo de envejecimiento: verde normal, rojo fallo | ||||||||
| Solicitud | Protección de segundo nivel de línea entrante | ||||||||
| Observación | Se puede personalizar otro voltaje máximo de trabajo continuo Uc | ||||||||
> Sofielec expone en la Exposición Asia Power Electrician and Smart Grid, del 21 al 23 de julio de 2021, Pazhou Hall, Guangzhou, Stand No. 9.2, Hall H11.
Estimados todos, exhibiremos en la Exposición Asia Power Electrician and Smart Grid, del 21 al 23 de julio de 2021, Pazhou Hall, Guangzhou, Stand No. 9.2, Hall H11.
> Función y principio de funcionamiento, parámetros técnicos y selección de RCCB/ELCB
(1) Función: Se utiliza principalmente para cortar rápidamente el suministro eléctrico cuando se produce una descarga eléctrica o una fuga, para garantizar la seguri...
> Resumen de conocimientos comunes sobre interruptores diferenciales/disyuntores diferenciales
1. El disyuntor de fugas de la serie CDL7 es adecuado para CA 50 Hz, voltaje nominal de 400 V, corriente nominal de 63 A y el rendimiento de la acción no tiene nada ...
> 16 puntos de conocimiento le permiten comprender completamente el principio de funcionamiento y la función del RCCB/ELCB
1. Qué es un interruptor diferencial/interruptor diferencial eléctrico (RCCB/ELCB)? Respuesta: El RCCB/ELCB (interruptor de protección contra fugas) es un dispositiv...




