| Categorías | Relé de tiempo |
| Modelo | ZHRT1-SC |
| Tensión nominal de alimentación de control | CA 110 V. CA 220 V 50/60 Hz |
| Consumo de energía nominal | 12 VA/0,7 W |
| Rango de retardo | 0,5 s~20 min |
| Precisión de configuración | ≤±5% |
| Precisión de repetición | ≤±0,2% |
| Número de lámpara de neón | 50 piezas, máximo |
| Corriente de la lámpara de neón | 50 A máx. |
| Capacidad de configuración de contactos (A) | 16A |
| Clase de IP | IP20 |
| Altitud | ≤2000 m |
Función
Aplicaciones
Se utiliza en unidades de aire acondicionado, salas de máquinas de ascensores, bombas, ventiladores y otras aplicaciones de control de motores, como protección contra sobretensión, subtensión, fallo de fase, secuencia de fase y desequilibrio de fase. En caso de anomalía en el suministro eléctrico, se debe desconectar para proteger el equipo.
Características
Microcontroladores integrados, precisión de repetición <0,2 %. Ajuste mediante botón giratorio. Indicador LED que muestra el estado de funcionamiento. Tres modos de funcionamiento: encendido, apagado y automático. Montaje en riel DIN.
| Tensión nominal de alimentación de control | CA 110 V, CA 220 V, 50/60 Hz |
| Consumo de energía nominal | 1,2 VA/0,7 W |
| Rango de retardo | 0,5~20 minutos |
| Precisión de configuración | ≤±10% |
| Precisión de repetición | ≤±0,5% |
| Número de lámpara de neón | 50 piezas máximo |
| Corriente de la lámpara de neón | 20 mA máximo |
| Vida eléctrica | 10 5 |
| Vida mecánica | 10 6 |
| Altitud | ≤2000 m |
| Capacidad de configuración de contactos (A) | 16A |
| Clase de IP | IP20 |
| Clase de contaminación | III |
| Humedad relativa admisible | ≤50%(40℃)(Sin condensación) |
Diagrama de funciones

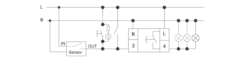
Diagrama de cableado

Dimensiones

> Sofielec expone en la Exposición Asia Power Electrician and Smart Grid, del 21 al 23 de julio de 2021, Pazhou Hall, Guangzhou, Stand No. 9.2, Hall H11.
Estimados todos, exhibiremos en la Exposición Asia Power Electrician and Smart Grid, del 21 al 23 de julio de 2021, Pazhou Hall, Guangzhou, Stand No. 9.2, Hall H11.
> Función y principio de funcionamiento, parámetros técnicos y selección de RCCB/ELCB
(1) Función: Se utiliza principalmente para cortar rápidamente el suministro eléctrico cuando se produce una descarga eléctrica o una fuga, para garantizar la seguri...
> Resumen de conocimientos comunes sobre interruptores diferenciales/disyuntores diferenciales
1. El disyuntor de fugas de la serie CDL7 es adecuado para CA 50 Hz, voltaje nominal de 400 V, corriente nominal de 63 A y el rendimiento de la acción no tiene nada ...
> 16 puntos de conocimiento le permiten comprender completamente el principio de funcionamiento y la función del RCCB/ELCB
1. Qué es un interruptor diferencial/interruptor diferencial eléctrico (RCCB/ELCB)? Respuesta: El RCCB/ELCB (interruptor de protección contra fugas) es un dispositiv...




