| Categorías | Relé de tiempo |
| Modelo | ZHRT1-ST |
| Tensión nominal de alimentación de control | CA 110 V, CA 220 V, CA 380 V, 56/60 Hz |
| Consumo de energía nominal | CA: ≤1,5 VA CC: ≤1 W |
| Rango de retardo | 0,1 s~10 min |
| Precisión de configuración | ≤5% |
| Precisión de repetición | ≤0,2% |
| Repetir intervalo de encendido | ≥200 ms |
| Altitud | ≤2000 m |
| Capacidad de configuración de contactos (A) | 5A |
| Clase de IP | IP20 |
| Categoría de uso | AC-15 |
Función
Aplicaciones
Se utiliza en unidades de aire acondicionado, salas de máquinas de ascensores, bombas, ventiladores y otras aplicaciones de control de motores, como protección contra sobretensión, subtensión, fallo de fase, secuencia de fase y desequilibrio de fase. En caso de anomalía en el suministro eléctrico, se debe desconectar para proteger el equipo.
Características
Microprocesadores integrados, ajuste de perilla, tiempo de arranque y tiempo de conversión ajustables. Indicador LED que muestra el estado de funcionamiento. Control de conversión estrella-triángulo, arranque automático. Montaje en carril DIN.
| Tensión nominal de alimentación de control | CA 110 V, CA 220 V, CA 380 V 50/60 Hz |
| Consumo de energía nominal | CA: ≤1,5 VA CC: ≤1 W |
| Rango de retardo | 0,1 s ~ 300 min |
| Precisión de configuración | ≤±5% |
| Precisión de repetición | ≤±0,2% |
| Repetir intervalo de encendido | ≥200 ms |
| Vida eléctrica | 10 5 |
| Vida mecánica | 10 6 |
| Altitud | ≤2000 m |
| Capacidad de configuración de contactos (A) | 5A |
| Clase de IP | IP20 |
| Clase de contaminación | III |
| Categoría de uso | AC-15 |
| Capacidad de contacto, | UE/le AC240V/1.5A. CA 380 V/0,95 A. |
| Capacidad de contacto | 2 NO |
| Guía estándar | Ancho: 35 mm (IEC/EN60715) |
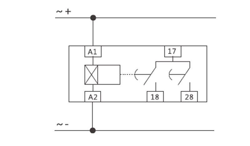
Diagrama de funciones

Diagrama de cableado

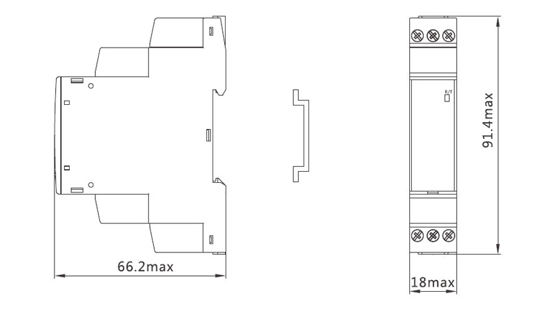
Dimensiones

> Sofielec expone en la Exposición Asia Power Electrician and Smart Grid, del 21 al 23 de julio de 2021, Pazhou Hall, Guangzhou, Stand No. 9.2, Hall H11.
Estimados todos, exhibiremos en la Exposición Asia Power Electrician and Smart Grid, del 21 al 23 de julio de 2021, Pazhou Hall, Guangzhou, Stand No. 9.2, Hall H11.
> Función y principio de funcionamiento, parámetros técnicos y selección de RCCB/ELCB
(1) Función: Se utiliza principalmente para cortar rápidamente el suministro eléctrico cuando se produce una descarga eléctrica o una fuga, para garantizar la seguri...
> Resumen de conocimientos comunes sobre interruptores diferenciales/disyuntores diferenciales
1. El disyuntor de fugas de la serie CDL7 es adecuado para CA 50 Hz, voltaje nominal de 400 V, corriente nominal de 63 A y el rendimiento de la acción no tiene nada ...
> 16 puntos de conocimiento le permiten comprender completamente el principio de funcionamiento y la función del RCCB/ELCB
1. Qué es un interruptor diferencial/interruptor diferencial eléctrico (RCCB/ELCB)? Respuesta: El RCCB/ELCB (interruptor de protección contra fugas) es un dispositiv...




