| Categorías | Relé de tiempo |
| Tensión de alimentación nominal | CC 12 V CA/CC 24 V ~ 240 V |
| Consumo de energía nominal | 1W |
| Rango de retardo | Ajuste multirango de 0,1 s a 100 h |
| Precisión de configuración | ≤5% |
| Precisión de repetición | ≤0,2% |
| Repetir intervalo de encendido | ≥200 ms |
| Altitud | ≤2000 m |
| Capacidad de configuración de contactos (A) | C/O:16A,2C/O:16A,3C/O:8A,2C/O+1 instantáneoC/O:8A+16A |
| Capacidad de contacto | Ue/Ie CA 240 V/1,5 A |
| Guía estándar | (ancho)35mm |
Función
Aplicaciones
Se utiliza en gabinetes de control, armarios y otros circuitos de control eléctrico, de acuerdo con el tiempo programado, enciende o apaga automáticamente el circuito.
Características
Microcontroladores integrados, amplio rango de retardo de 0,1 s a 100 h, precisión de repetición <0,2 %. Ajuste mediante perilla; indicador LED que muestra el estado de funcionamiento. Variedad de voltajes nominales opcionales. Montaje en riel DIN.
| Tensión nominal de alimentación de control | 12 V CC, 24 V CA/CC ~ 240 V 50/60 Hz |
| Consumo de energía nominal | ≤1 W |
| Rango de retardo | Ajuste multirango de 0,1 s a 100 h |
| Precisión de configuración | ≤5% |
| Precisión de repetición | ≤0,2% |
| Repetir intervalo de encendido | ≥200 ms |
| Vida eléctrica | 10 5 |
| Vida mecánica | 10 6 |
| Altitud | ≤2000 m |
| Capacidad de configuración de contactos (A) | 1C/O:16A, 2C/0:16A, 3C/O:8A,2C/O+ 1 instantáneo C/O:8A+ 16A |
| Clase de IP | IP20 |
| Clase de contaminación | III |
| Categoría de uso | AC-15 |
| Capacidad de contacto, | Ue/le CA 240 V/1,5 A |
| Capacidad de contacto | 1C/0, 2C/0, 3C/O, 2C/0+1 C/O instantáneo |
| Guía estándar | Ancho: 35 mm (IEC/EN60715) |
Diagrama de funciones

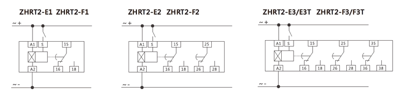
Diagrama de cableado

Dimensiones

> Sofielec expone en la Exposición Asia Power Electrician and Smart Grid, del 21 al 23 de julio de 2021, Pazhou Hall, Guangzhou, Stand No. 9.2, Hall H11.
Estimados todos, exhibiremos en la Exposición Asia Power Electrician and Smart Grid, del 21 al 23 de julio de 2021, Pazhou Hall, Guangzhou, Stand No. 9.2, Hall H11.
> Función y principio de funcionamiento, parámetros técnicos y selección de RCCB/ELCB
(1) Función: Se utiliza principalmente para cortar rápidamente el suministro eléctrico cuando se produce una descarga eléctrica o una fuga, para garantizar la seguri...
> Resumen de conocimientos comunes sobre interruptores diferenciales/disyuntores diferenciales
1. El disyuntor de fugas de la serie CDL7 es adecuado para CA 50 Hz, voltaje nominal de 400 V, corriente nominal de 63 A y el rendimiento de la acción no tiene nada ...
> 16 puntos de conocimiento le permiten comprender completamente el principio de funcionamiento y la función del RCCB/ELCB
1. Qué es un interruptor diferencial/interruptor diferencial eléctrico (RCCB/ELCB)? Respuesta: El RCCB/ELCB (interruptor de protección contra fugas) es un dispositiv...




