Descripción

Interruptor horario analógico |
1 canal |
Visualización del estado de conmutación |
Programa diario |
144 segmentos de conmutación |
Controlado por cuarzo |
Tiempo de conmutación más corto: 10 minutos |
Manecillas del reloj para mostrar la hora |
Corrección simple del horario de verano/invierno |
Construcción del interruptor: Contacto de conmutación |
Terminales de tornillo |

AH711: Con reserva de energía (batería recargable NiMH) |
AH710: Sin reserva de marcha |
Refrigeración comercial |
Control de bombas/motores/ventiladores |
Sistemas hidropónicos |
Sistemas de tratamiento aeróbico de aguas residuales |
Calderas |
Ejercicio con generador |
Datos técnicos
Tipo | AH711/AH710 |
Voltaje de funcionamiento | 230-240 VCA / 110 VCA / 24 VCC / 12 VCC |
Frecuencia | 50-60 Hz |
Número de canales | 1 |
Ancho | 4 módulos |
Tipo de instalación | panel de superficie/empotrado/panel de control |
Tipo de conexión | Terminales de tornillo |
Conducir | Motor paso a paso controlado por cuarzo |
Programa | Programa diario |
reserva de energía | 72 horas丨Sin reserva de marcha |
Capacidad máxima de conmutación a 250 V CA, cos φ = 1 | 10 A |
Capacidad máxima de conmutación a 250 V CA, cos φ = 0,6 | 3 A |
Carga de lámpara incandescente/halógena | 600 W |
Lámparas de bajo consumo | 100 W |
Lámpara LED < 2 W | 20 W |
Lámpara LED > 2 W | 100 W |
Tiempo de conmutación más corto | 10 minutos |
Programable cada | 10 minutos |
Número de segmentos de conmutación | 144 |
Precisión horaria a 25 °C | ≤ ± 2 s/día (cuarzo) |
Tipo de contacto | Contacto de cambio |
Salida de conmutación | Libre de potencial e independiente de la fase |
Consumo de energía | 1,5 VA |
Aprobaciones de pruebas | CE |
Material de carcasa y aislamiento | Termoplástico autoextinguible y resistente a altas temperaturas. |
Tipo de protección | IP20 |
Clase de protección | II según EN 60730-1 |
Temperatura ambiente | –10 °C … +50 °C |
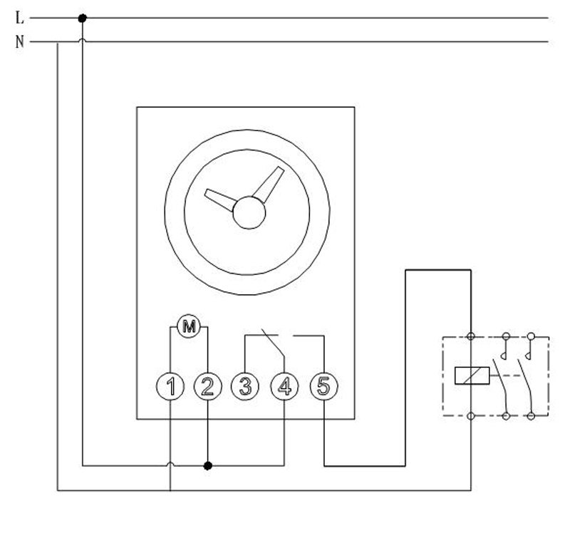
Ejemplo de conexión


Otro
Nuestro equipo de ventas: Contamos con un equipo profesional de exportación con más de 15 años de experiencia. Ofrecemos un servicio de seguimiento personalizado. Responderemos a sus comentarios en 24 horas. Exportamos nuestros productos a más de 60 países y contamos con más de 200 clientes.
Entrega: Los departamentos de producción efectivos nos permiten entregar los productos a tiempo y cada cliente será informado sobre el tiempo de entrega poco después de confirmar el pedido, y para garantizar el beneficio del cliente.
Control de calidad: Aceptamos personalización OEM y ODM para producción en masa. Siguiendo el sistema ISO9001:2015, nuestros productos se fabrican en línea automática. Todos pasan rigurosas inspecciones antes de salir de fábrica, incluyendo la inspección del supervisor y de la máquina. Ofrecemos auditorías de fábrica si es necesario.
> Sofielec expone en la Exposición Asia Power Electrician and Smart Grid, del 21 al 23 de julio de 2021, Pazhou Hall, Guangzhou, Stand No. 9.2, Hall H11.
Estimados todos, exhibiremos en la Exposición Asia Power Electrician and Smart Grid, del 21 al 23 de julio de 2021, Pazhou Hall, Guangzhou, Stand No. 9.2, Hall H11.
> Función y principio de funcionamiento, parámetros técnicos y selección de RCCB/ELCB
(1) Función: Se utiliza principalmente para cortar rápidamente el suministro eléctrico cuando se produce una descarga eléctrica o una fuga, para garantizar la seguri...
> Resumen de conocimientos comunes sobre interruptores diferenciales/disyuntores diferenciales
1. El disyuntor de fugas de la serie CDL7 es adecuado para CA 50 Hz, voltaje nominal de 400 V, corriente nominal de 63 A y el rendimiento de la acción no tiene nada ...
> 16 puntos de conocimiento le permiten comprender completamente el principio de funcionamiento y la función del RCCB/ELCB
1. Qué es un interruptor diferencial/interruptor diferencial eléctrico (RCCB/ELCB)? Respuesta: El RCCB/ELCB (interruptor de protección contra fugas) es un dispositiv...






