Relé de control de voltaje ZHRV5-01

ZHRV5-01 Voltage control relay
ZHRV5-01 Voltage control relay

Le invitamos a que nos envíe sus consultas por correo electrónico formal, para que podamos recibir su información sin problemas y responderle con prontitud. Gracias.

Categorías Relé de control de voltaje
Rango de medición 45 Hz ~ 65 Hz, 0
Valor de histéresis ajustable 5~20% del valor del umbral
Rango de retardo de acción 0,1 s~10 s
Error de medición de voltaje <1%
Precisión de ajuste de Konb Valor de escala del 1%
Tensión de aislamiento nominal 460 V
Capacidad de configuración de contactos (A) 8A
Clase de IP IP20
Altitud ≤2000 m
Categoría de uso AC-15
Función

Aplicaciones

Se utiliza en unidades de aire acondicionado, salas de máquinas de ascensores, bombas, ventiladores y otras aplicaciones de control de motores, como protección contra sobretensión, subtensión, fallo de fase, secuencia de fase y desequilibrio de fase. En caso de anomalía en el suministro eléctrico, se debe desconectar para proteger el equipo.

Características

Microprocesadores integrados, medición de verdadero valor eficaz (RMS), precisión de medición de voltaje ≤1 %. Frecuencia de medición: 45 Hz-65 Hz, ajuste mediante perilla, indicador LED que muestra el estado de funcionamiento. Función de bloqueo en caso de fallo. Montaje en riel DIN.

Rango de medición 45 Hz ~ 65 Hz, 0
Valor de histéresis ajustable ZHRV5-01: 5~20 % del valor umbral
Valor de histéresis fijo ZHRV5-02: 3% del valor umbral
Retraso de acción 0,1 s~10 s
Error de medición de voltaje < 1% (rango de configuración completo)
Error de retraso ±10%+0,1 s
Precisión de la posición de Konb Valor de escala del 1%
Tensión de aislamiento nominal 460 V
Capacidad de configuración de contactos (A) 8A
Clase de IP IP20
Clase de plución III
Vida eléctrica 10 5
Vida mecánica 10 6
Altitud ≤2000 m
Humedad relativa admisible ≤50% (40°C) (sin condensación)
Categoría de uso AC-15
Capacidad de contacto Ue/le: 250 V/1,5 A
Tipo de salida 1 C/O
Estándar de riel DIN Ancho: 35 mm (IEC/EN60715)

Diagrama de funciones

Diagrama de funciones: ZHRV5-01
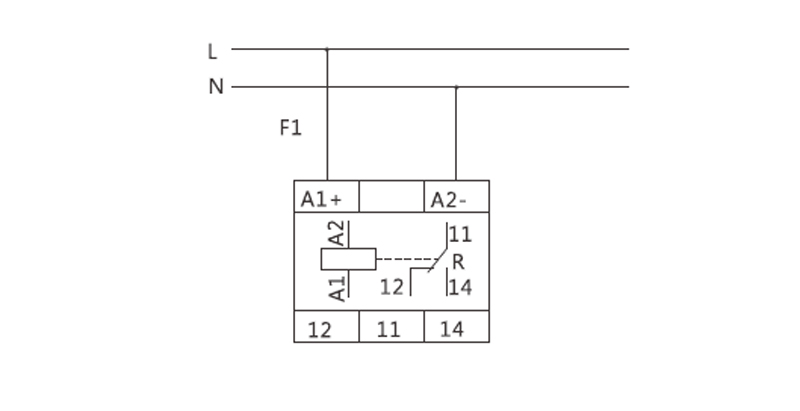
Diagrama de cableado
Diagrama de cableado
Dimensiones
Dimensiones

Centro de noticias

> Sofielec expone en la Exposición Asia Power Electrician and Smart Grid, del 21 al 23 de julio de 2021, Pazhou Hall, Guangzhou, Stand No. 9.2, Hall H11.

Estimados todos, exhibiremos en la Exposición Asia Power Electrician and Smart Grid, del 21 al 23 de julio de 2021, Pazhou Hall, Guangzhou, Stand No. 9.2, Hall H11.

> Función y principio de funcionamiento, parámetros técnicos y selección de RCCB/ELCB

(1) Función: Se utiliza principalmente para cortar rápidamente el suministro eléctrico cuando se produce una descarga eléctrica o una fuga, para garantizar la seguri...

> Resumen de conocimientos comunes sobre interruptores diferenciales/disyuntores diferenciales

1. El disyuntor de fugas de la serie CDL7 es adecuado para CA 50 Hz, voltaje nominal de 400 V, corriente nominal de 63 A y el rendimiento de la acción no tiene nada ...

> 16 puntos de conocimiento le permiten comprender completamente el principio de funcionamiento y la función del RCCB/ELCB

1. Qué es un interruptor diferencial/interruptor diferencial eléctrico (RCCB/ELCB)? Respuesta: El RCCB/ELCB (interruptor de protección contra fugas) es un dispositiv...

SOLICITAR PRESUPUESTO

Hable con nuestro experto

Ponte en contacto

Captcha Code
×

Hable con nuestro experto.

Captcha Code
Si está interesado en ser nuestro agente en su mercado, seremos su sólido respaldo.
Encuéntrenos para cooperar
Valoramos su privacidad.
Utilizamos cookies para ofrecerte una mejor experiencia online, analizar y medir el uso del sitio web y ayudarnos en nuestras iniciativas de marketing.
Aceptar todo