Función
| Categorías | Relé de control de voltaje |
| Tensión de alimentación nominal | CA 3×220 V → 3×460 V |
| Rango de voltaje de funcionamiento | CA 187 V ~ 529 V |
| Frecuencia de suministro nominal | 50 Hz ~ 65 Hz |
| Rango de medición | CA 176 V ~ 552 V |
| Rango de frecuencia de medición | 45 Hz ~ 65 Hz |
| Retraso de acción | 0,1 s~10 s |
| Tensión de aislamiento nominal | 460 V |
| Capacidad de configuración de contactos (A) | 8A |
| Clase de IP | IP20 |
| Error de medición de voltaje | ≤1% |
Aplicaciones
Se utiliza en unidades de aire acondicionado, salas de máquinas de ascensores, bombas, ventiladores y otras aplicaciones de control de motores, como protección contra sobretensión, subtensión, fallo de fase, secuencia de fase y desequilibrio de fase. En caso de anomalía en el suministro eléctrico, se debe desconectar para proteger el equipo.
Características
Microprocesadores integrados, medición de voltaje RMS verdadero, precisión de medición de voltaje ≤ 1 %. Frecuencia de medición: 45 Hz-65 Hz, ajuste mediante perilla, indicador LED que muestra el estado de funcionamiento. Voltaje nominal: trifásico, trifásico, universal, 220 V-460 V. Montaje en riel DIN.
Tensión de alimentación nominal | CA 3×220 V → 3×460 V |
Rango de voltaje de funcionamiento | CA 187 V ~ 529 V |
Frecuencia de suministro nominal | 50/60 Hz |
Rango de voltaje | 220-230-240-380-400-415-440-460 (M) |
Rango de medición | CA 176 V → 552 V |
Rango de frecuencia de medición | 45 Hz ~ 65 Hz |
Tiempo de acción de la secuencia de fases y del flujo de fases | < 0,5 s |
Retraso de acción | 0,1 s~10 s |
Tasa de histéresis fija | 2% / 2% de la tensión nominal de funcionamiento |
Error de medición de voltaje | ≤1% (rango de configuración completo) |
Error de retraso | ±10%+0,1 s |
Precisión del ajuste de la perilla | Valor de escala del 1% |
Tensión de aislamiento nominal | 460 V |
Capacidad de configuración de contactos (A) | 8A |
Clase de IP | IP20 |
Clase de plución | III |
Vida eléctrica | 105 |
Vida mecánica | 106 |
Altitud | ≤2000 m |
Humedad relativa admisible | ≤50% (40°C) (sin condensación) |
Categoría de uso | AC-15 |
Estándar de riel DIN | Ue/Ie: 250 V/1,5 A |
Capacidad de contacto | 1 C/O |
Estándar de riel DIN | Ancho 35 mm (IEC/EN60715) |
Diagrama de funciones

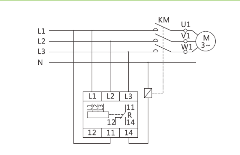
Diagrama de cableado

Dimensiones

> Sofielec expone en la Exposición Asia Power Electrician and Smart Grid, del 21 al 23 de julio de 2021, Pazhou Hall, Guangzhou, Stand No. 9.2, Hall H11.
Estimados todos, exhibiremos en la Exposición Asia Power Electrician and Smart Grid, del 21 al 23 de julio de 2021, Pazhou Hall, Guangzhou, Stand No. 9.2, Hall H11.
> Función y principio de funcionamiento, parámetros técnicos y selección de RCCB/ELCB
(1) Función: Se utiliza principalmente para cortar rápidamente el suministro eléctrico cuando se produce una descarga eléctrica o una fuga, para garantizar la seguri...
> Resumen de conocimientos comunes sobre interruptores diferenciales/disyuntores diferenciales
1. El disyuntor de fugas de la serie CDL7 es adecuado para CA 50 Hz, voltaje nominal de 400 V, corriente nominal de 63 A y el rendimiento de la acción no tiene nada ...
> 16 puntos de conocimiento le permiten comprender completamente el principio de funcionamiento y la función del RCCB/ELCB
1. Qué es un interruptor diferencial/interruptor diferencial eléctrico (RCCB/ELCB)? Respuesta: El RCCB/ELCB (interruptor de protección contra fugas) es un dispositiv...




